スマホの消費電力

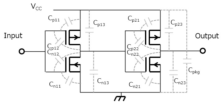
高速 Cmos ロジック Ic Elm7shu04xb バッファ無しインバータ
![]()
汎用ロジックicの消費電力の計算を教えてください 東芝デバイス ストレージ株式会社 日本
2

消費電力の最適化 Manualzz

2013 102319号 半導体集積回路装置 Astamuse
![]()
データシートの見方 静的消費電流 I Cc 東芝デバイス ストレージ株式会社 日本

Fpga の消費電力の種類と計算方法 半導体事業 マクニカ
![]()
出力電流は何ma流せますか 東芝デバイス ストレージ株式会社 日本
1

消費電力の計算方法について Device Plus デバプラ
Tags:
Archive